6163银河

001A自动式红外传感器

中国·6163银河(股份)有限公司-官方网站 中国·6163银河(股份)有限公司-官方网站
中国·6163银河(股份)有限公司-官方网站

专注高科技传感器研发与制造

中国·6163银河(股份)有限公司-官方网站
  • 中国·6163银河(股份)有限公司-官方网站联系地点::

    深圳市宝安区新桥街道新玉路48号大宏科技园十一层

  • 中国·6163银河(股份)有限公司-官方网站联系邮箱::

    3204645724@qq.com

  • 中国·6163银河(股份)有限公司-官方网站联系手机::

    181-3822-8327

  • 中国·6163银河(股份)有限公司-官方网站公司总机::

    0755-33523599

其它咨询服务??

中国·6163银河(股份)有限公司-官方网站

001A自动式红外传感器

中国·6163银河(股份)有限公司-官方网站
  • ?

    体积小巧便于装置,,感应角度小,,靠近直线

  • ?

    抗滋扰能力强,,可按键自行调距

  • ?

    输出信号::V- 崎岖电平输出、、开关量 NPN、、脉冲 输出

det_a
中国·6163银河(股份)有限公司-官方网站
服务热线
181-3822-8327

中国·6163银河(股份)有限公司-官方网站
中国·6163银河(股份)有限公司-官方网站
中国·6163银河(股份)有限公司-官方网站
中国·6163银河(股份)有限公司-官方网站
产品详情
手艺参数
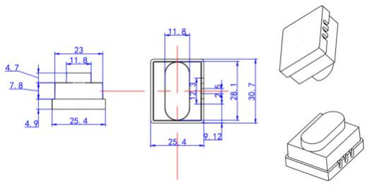
尺寸结构
使用说明书

一、、产品

XKC-001A-T 是一款智能非接触式开关、、带有高低电平或 NPN 驱动输出的红外感应器。该感应器使用红外 光对物体漫反射原理:当人或物体进入感应器设定的感应区域,感应器输出信号;人或物体脱离感应区后感应器则关闭输出。

二、、功效特点::

1.抗扰能力强。

2.智能感应非接触开关,,清静,,卫生。

3.感应角度,靠近直线。

4.体积小,便于装置。

5.多种方式输出,使用简朴利便。

、、应用规模

1.智感应洁具。

2.家居安防。

3.智能检测,智能控制。

4.机械人障碍识别。

5.水龙头感应、、巨细便斗自动冲水、、自动烘手机、、防盗器、、自动门铃、、楼梯过道感应、、电视近距离收看电视 提醒器、、自动门、、广告灯箱、、自动垃圾箱。

、、输出方式

序号

输出方式

进入感应区

脱离感应

1

XKC-001A-T-Z5

 

崎岖电



平输出

正输出

输出高电平 5V

出低电平 0V

2

XKC-001A-T-F5

反输

出低电平 0V

输出高电平 5V

3

XKC-001A-T-Z12

正输出

输出高电平 VCC

出低电平 0V

4

XKC-001A-T-F12

反输

出低电平 0V

输出高电平 VCC

5

XKC-001A-NO

NPN 开漏

输出

负载工

负载不事情

6

XKC-001A-NC

负载不事情

负载工


项目名称

作电压

DC 5V ~ 12V

感应距离

0cm~100cm 距离可调(感应距离和障碍物颜色有一定误差,, 浅色远,, 深色近)

感应距离调节方式

按键自动校准感应距离,,可掉电生涯

感应角度

10~15°圆锥角

感应方式

动式

态电流

<3.5 mA

空载工作电流

5 ~ 50mA  (感应距离越远,,事情电流越大)

高电平输出电流

≤1.2mA 拉电流

低电平输出电流

≤300mA 灌电流

NPN 断开输出电

0mA

NPN 闭合输出电

≤300mA 灌电流

输出方

低电平信号输出/开关量 NPN 输出

指示灯

感应到红灯亮

 

作情形

光照度::太阳光  10000Lx,白炽灯 3000Lx

(可以在 1000W 节能灯 1 米以外直射下正常事情)

负载电

<100mA

作情形温度

-20~85℃

存储温度

-20~85℃

线长

20cm   (±10MM)(批量可定制)

材质

PC-V0 级防火料

性能

IP55

安规标准认证

CE

环保认

ROHS-1.0


0ZPK3Q7$]V@J1_@1QWTZ1FL.png

留下您的信息 获取特惠报价

6163银河事情职员将会在24小时之内(事情日)联系您,,请坚持手机流通。 若是需要其他服务,,
接待拨打服务热线::18138228327

中国·6163银河(股份)有限公司-官方网站
【网站地图】
001A自动式红外传感器