一、产品特征::
1. XKC-Y25-XXX 非接触式液位传感器,,,适用于非金属容器,,,产品通过检测信号穿透非金属容器、管道外 壁感应检测液体的方式,,,而无需与液体直接接触,,,不会受到强酸、强碱等侵蚀性液体的侵蚀破损,,,不受水垢或其 他杂物影响,,,即可完成在容器或管道外检测内部有无液体。
2. 可支持崎岖电平输出、NPN、PNP 信号输出(选型时与厂家说明即可)。
3. 检测液位准确稳固,,,冷、热、沸液体皆可检测。
4. 纯电子电路结构,,,非机械事情方式,,,性能稳固,,,持续使用寿命长。
5. 高稳固性,,,高迅速度,,,抗滋扰能力强,,,不受外界电磁滋扰,,,针对工频滋扰及共模滋扰有做特殊处理,,,以 兼容市面上所有的 5-24V 电源适配器。
6. 使用规模广,,,感应能力强,,,可穿透检测种种非金属材质的容器内液体液位,,,如塑料、玻璃、陶瓷等容器,,, 感应距离(容器壁厚)可达 20mm;液体、粉末、颗粒物均可检测。
7. 开集电极输出方式,,,电压规模宽(5-24V),,,适合毗连种种电路及产品应用。
二、事情原理::
智能型非接触式液位传感器是使用水的感应电容来检测是否有液体保存,,,在没有液体靠近传感器时,,,传感器 上由于漫衍电容的保存,,,因此传感器对地保存一定的静态电容,,,当液面逐步升高靠近传感器时,,,液体的寄生电容 将耦合到传感器静态电容上,,,使传感器的电容值变大,,,该转变的电容信号再输入到控制 IC 举行信号转换,,,将转变的电容量转换成电路信号的模拟量转变,,,再由 MCU 盘算和判断这个转变量的水平,,,当这个转变量凌驾一定的阈 值时就以为液位抵达感应点。
项目名称 | 参数 | |||
产品规格型号 | XKC-Y25-V | XKC-Y25-RS485 | XKC-Y25-PNP | XKC-Y25-NPN |
直流输入 电压(Vin) | DC5V-24V | 24V (可定制 12V) | DC 5V-12V 和 DC24V | DC 5V-12V 和 DC24V |
输出方式 | 崎岖电平 | 通讯输出 | 开关量(高电平有用) | 开关量(低电平有用) |
电源纹波要求 | ≤200 mV | |||
耗电流 | 5mA | |||
响应时间 | 500mS | |||
事情情形温度 | -20~105℃ | |||
湿度 | 5%~100% | |||
感应厚度 (迅速度)范 围 | ≤20mm (容器壁厚) | |||
液位精度 | ±1.5mm | |||
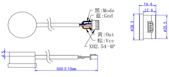
线长 | 500MM (±10MM)(批量可定制) | |||
线端定义 | 棕色(VCC)、黄色(信号输出) 蓝色(GND)、玄色(信号选择端) | |||
材质 | PC-V0 防火料 | |||
防水性能 | IP67 | |||
安规标准认证 | CE | |||
环保认证 | ROHS-2.0 | |||
