Ò»¡¢¡¢²úÆ·ÌØÕ÷:
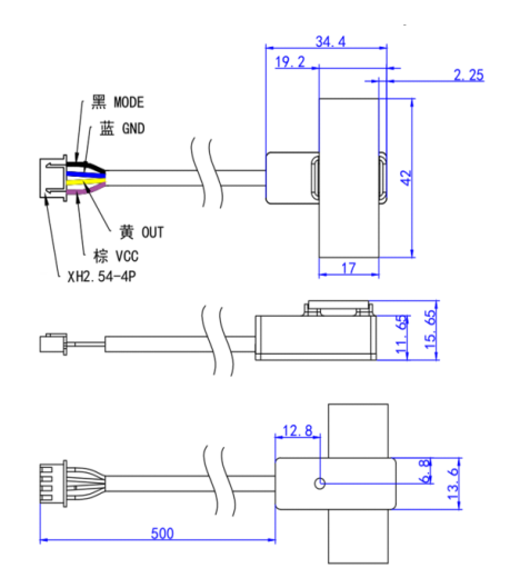
1.XKC-Y26S-XXX ·Ç½Ó´¥Ê½ÒºÎ»´«¸ÐÆ÷£¬£¬£¬ÊÊÓÃÓÚÖÖÖַǽðÊôÈÝÆ÷£¬£¬£¬²úƷͨ¹ý¼ì²âÐźŴ©Í¸·Ç½ðÊôÈÝÆ÷¡¢¡¢¹ÜµÀÍâ±Ú¸ÐÓ¦¼ì²âÒºÌåµÄ·½Ê½£¬£¬£¬£¬£¬£¬¶øÎÞÐèÓëÒºÌåÖ±½Ó½Ó´¥£¬£¬£¬²»»áÊܵ½Ç¿ËáÇ¿¼îµÈÇÖÊ´ÐÔÒºÌåµÄÇÖÊ´£¬£¬£¬²»ÊÜË®¹¸»òÆäËûÔÓÎïÓ°Ï죬£¬£¬¼´¿ÉÍê³ÉÔÚÈÝÆ÷»ò¹ÜµÀÍâ¼ì²âÄÚ²¿ÓÐÎÞÒºÌå¡£
2.²úÆ·Éè¼ÆÖÇÄÜ»¯ÒºÎ»»ù×¼µ÷½â¼°ÒºÎ»Ó°Ïó¹¦Ð§£¬£¬£¬ÒºÎ»×´Ì¬ÏÔʾ·½Ê½£¬£¬£¬¿ÉʵÏÖ¶àµã´®Áª½ÓÏß¿ØÖÆ·½Ê½¡£¿ÉÖ§³ÖÆéá«µçÆ½Êä³ö¡¢¡¢NPN¡¢¡¢PNP ÐźÅÊä³ö¿ØÖÆ£¨Ñ¡ÐÍʱÓë³§¼Ò˵Ã÷¼´¿É£©¡£
3.¼ì²âҺλ׼ȷÎȹ̣¬£¬£¬Àä¡¢¡¢ÈÈ¡¢¡¢·ÐÒºÌå½Ô¿É¼ì²â¡£
4.´¿µç×ӵ緽ṹ£¬£¬£¬·Ç»úеÊÂÇ鷽ʽ£¬£¬£¬ÐÔÄÜÎȹ̣¬£¬£¬³ÖÐøÊ¹ÓÃÊÙÃü³¤¡£
5.¸ßÎȹÌÐÔ£¬£¬£¬¸ßѸËÙ¶È£¬£¬£¬¿¹×ÌÈÅÄÜÁ¦Ç¿£¬£¬£¬²»ÊÜÍâ½çµç´Å×ÌÈÅ£¬£¬£¬Õë¶Ô¹¤Æµ×ÌÈż°¹²Ä£×ÌÈÅÓÐ×öÌØÊâ´¦Àí£¬£¬£¬ÒÔ¼æÈÝÊÐÃæÉÏËùÓÐµÄ 5~24V µçÔ´ÊÊÅäÆ÷¡£
6.ʹÓùæÄ£¹ã£¬£¬£¬¸ÐÓ¦ÄÜÁ¦Ç¿£¬£¬£¬¿É´©Í¸¼ì²âÖÖÖַǽðÊô²ÄÖʵÄÈÝÆ÷¡¢¡¢¹ÜµÀÄÚÒºÌåˮ룬£¬£¬ÈçËÜÁÏ¡¢¡¢²£Á§¡¢¡¢ÌմɵÈÈÝÆ÷£¬£¬£¬¸ÐÓ¦¹Ü±Úºñ¶È¿É´ï 20mm£»£»¿ÉÊÊÓÃÓÚÖÖÖÖÇúÃæ¡¢¡¢»¡ÐΡ¢¡¢Ô²ÖùÐεȲ»¹æÔòµÄÈÝÆ÷»ò¹ÜµÀµÄҺλ¼ì²â¡£
7.µçѹ¹æÄ£¿í£¨5~24V£©£¬£¬£¬ÊʺÏÅþÁ¬ÖÖÖֵ緼°²úÆ·Ó¦Óá£
¶þ¡¢¡¢ÊÂÇéÔÀí:
ÖÇÄÜÐͷǽӴ¥Ê½ÒºÎ»´«¸ÐÆ÷ÊÇʹÓÃË®µÄ¸ÐÓ¦µçÈÝÀ´¼ì²âÊÇ·ñÓÐÒºÌå±£´æ£¬£¬£¬ÔÚûÓÐÒºÌå¿¿½ü´«¸ÐÆ÷ʱ£¬£¬£¬´«¸ÐÆ÷ÉÏÓÉÓÚÂþÑܵçÈݵı£´æ£¬£¬£¬Òò´Ë´«¸ÐÆ÷¶ÔµØ±£´æÒ»¶¨µÄ¾²Ì¬µçÈÝ£¬£¬£¬µ±ÒºÃæÖð²½Éý¸ß¿¿½ü´«¸ÐÆ÷ʱ£¬£¬£¬ÒºÌåµÄ¼ÄÉúµçÈݽ«ñîºÏµ½´«¸ÐÆ÷¾²Ì¬µçÈÝÉÏ£¬£¬£¬Ê¹´«¸ÐÆ÷µÄµçÈÝÖµ±ä´ó£¬£¬£¬¸Ãת±äµÄµçÈÝÐźÅÔÙÊäÈëµ½¿ØÖÆ IC ¾ÙÐÐÐźÅת»»£¬£¬£¬½«×ª±äµÄµçÈÝÁ¿×ª»»³Éµç·ÐźŵÄÄ£ÄâÁ¿×ª±ä£¬£¬£¬ÔÙÓÉ MCU ÅÌËãºÍÅжÏÕâ¸öת±äÁ¿µÄˮƽ£¬£¬£¬µ±Õâ¸öת±äÁ¿Áè¼ÝÒ»¶¨µÄãÐֵʱ¾ÍÅжÏΪҺλµÖ´ï¸ÐÓ¦µã¡£
ÏîÄ¿Ãû³Æ | ²ÎÊý | |||
²úÆ·¹æ¸ñÐͺŠ| XKC-Y26S-V | XKC-Y26S-PNP | XKC-Y26S-NPN | |
Ö±Á÷ÊäÈë µçѹ(Vin) | (DC 5-24V) | (DC 5-12V) (DC 24V) | (DC 5-12V) (DC 24V) | |
Êä³ö·½Ê½ | Æéá«µçÆ½ | ¿ª¹ØÁ¿(¸ßµçƽÓÐÓÃ) | ¿ª¹ØÁ¿(µÍµçƽÓÐÓÃ) | |
ºÄµçÁ÷ | ¡Ü5mA | |||
Êä³öµçѹ(¸ßµçƽ) | Vin | |||
Êä³öµçѹ(µÍµçƽ) | 0V | |||
Êä³öµçÁ÷ | ¡Ü100mA | |||
ÏìӦʱ¼ä | 500mS | |||
ÊÂÇéÇéÐÎÎÂ¶È | -20~105¡æ | |||
¸ÐӦѸËÙ¶È | ¹ÜµÀÍâ¾¶ D(mm) | ¸ÐÓ¦ÈÝÆ÷±Ú»ò¹Ü±Úºñ¶È L(mm) | ||
D¡Ý100 | 20 ¡À 2 | |||
100>D¡Ý80 | 15 ¡À 2 | |||
80>D¡Ý60 | 12 ¡À 1.5 | |||
60>D¡Ý40 | 7 ¡À 1.0 | |||
40>D¡Ý30 | 5 ¡À 1.0 | |||
30>D¡Ý20 | 3 ¡À 1.0 | |||
20>D¡Ý10 | 1.5 ¡À 0.5 | |||
ÊÊÓùܵÀµÄÖ±¾¶¹æÄ£ | ¡Ý10mm | |||
Һλ¾«¶È | ¡À1.5mm | |||
ʪ¶È | 5%~100% | |||
²ÄÖÊ | PC V0 ·À»ðÁÏ | |||
·ÀË®ÐÔÄÜ | IP67 | |||
°²¹æ±ê×¼ÈÏÖ¤ | CE | |||
»·±£ÈÏÖ¤ | ROHS-2.0 | |||
